控制阀在增压缸精密控制中的作用
您现在的位置:首页 >
控制阀在增压缸精密控制中的作用
发布人:管理者 发布时间:2020-04-20控制阀是自控系统中的执行器,控制阀有各种不同类型,它们的适用场合不同,因此,应根据工艺生产过程的要求合理选择控制阀类型。
它的应用质量直接反应在系统的调节品质上。作为过程控制中的终端元件,人们对它的重要性较过去有了更新的认识。
由于计算选型的失误,造成系统开开停停,有的甚至无法投用,所以对于用户及系统设计人员应该认识阀在现场的重要性,必须对调节阀的选型引起足够的重视。

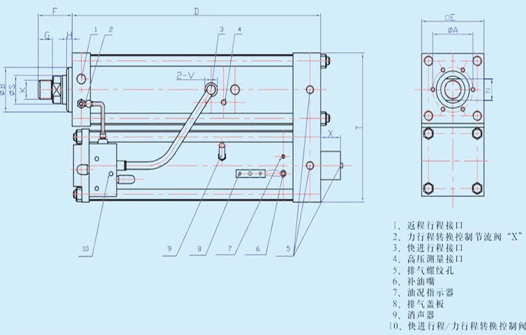
在增压缸的应用比较多的是气动类控制阀,一般分为气开和气关两类:气开控制阀在故障状态时关闭,气关控制阀在故障状态时打开。
可采用一些辅助设备组成保位阀或使控制阀自锁,即故障时控制阀保持故障前的阀门开度气开和气关的方式可通过正、反作用的执行机构类型和正体、反体阀的组合实现,在使用阀门定位器时,也可通过阀门定位器实现各种控制阀结构不同,各有特色。
对于控制阀的知识,我们只有不断加强,因为控制阀在增压缸的精密控制当中起着至关重要的作用。
上一篇:你知道增压气缸的液压油多久换一次吗?
下一篇:气液增压缸的质量好坏直接影响哪些问题


